SparePartsFinder
GG

  • Usage list
  • Selected Items 1
[Reset]
  • Search


TXT RACING 300 2025 <2025><EU><F0403YJ>
 Show Image Switch To Frame

@Nr@Name  
30ENGINE CASE
30CYLINDER
30CRANKSHAFT, PISTON
30REED VALVE CASE
31CARBURETOR
32CLUTCH
33TRANSMISSION I - MAIN SHAFT
33TRANSMISSION II - COUNTERSHAFT
33KICK STARTER
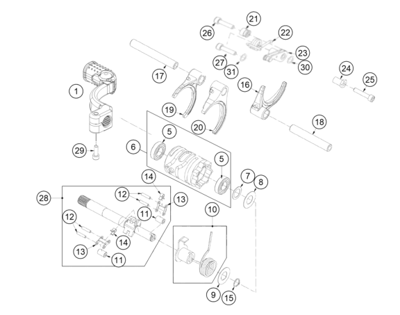
34SHIFTING MECHANISM
35WATER PUMP
35COOLING SYSTEM
39IGNITION SYSTEM
TXT RACING 300                      2025


Imprint
Privacy policy

Build: 1.0.0.0    Date: 3/31/2026 11:37:08 AM